Voorkeuren
Toon prijzen inclusief BTW
Toon prijzen exclusief BTW
Credits
US Dollar
Euro
Credits
Mijn Account
Registreren
Inloggen
Verlanglijst
(0)
Close
Over ons
Back
Services
Folders
Garantie
Klantenservice
Back
Verzending & levering
Bestellen & Betalen
Retour
Contact
Back
Stel een vraag
IJzerwaren
Back
Aanlegringen
Bledschroeven
Dragers
Haken
Back
Plakhaken
IJzerwaren
Kabels
Back
Kabelklemmen
Kabeltoebehoren
Spanschroeven
Katrollen
Kettingen
Back
Ketting, toebehoren
Kettingen op rol
Scheepskettingen
S-haken
Sierkettingen
Victorkettingen
Klapachten
Koordhouders
Krulhaken
Musketonhaken
Muurduimen
Ogen
Ophangogen
Plankenband
Schroefduimen
Schroefhaken
Schroefogen
Slotogen
Stokeinden
Wandrailsystemen
Back
Wandrails
Wandrailsysteem, toebehoren
Wervels
Windhaken
Bevestigingsmaterialen
Back
Afdekkappen
Assortiment schroeven
Back
Assortiment sets
Bedieningselementen
Back
Sterknoppen
Bouten
Back
Binnenzeskantbout
Houtdraadbouten
Oogbouten
Slotbouten
Zeskantbouten
Zeskanttapbouten
Bouwverankering
Back
Ankers
Kozijnankers
Montagegereedschap
Muurplaatankers
Spanhulzen
Uitvulplaten / Wiggen
Wandankers star
Bundelbanden
Chemische verankering
Back
Ankerstangen
Capsulesysteem
Chemische Anker
Draadeinden
Elastisch koord
Klinksystemen
Back
Blindklinkmoeren
Blindklinknagels
Klinknagels
Krammen
Magneten
Moeren
Back
Borgmoeren
Dopmoeren
Flensmoeren
Inschroefmoeren
Inslagmoeren
Oogmoer
Verbindingsmoeren
Vleugelmoeren
Zeskantmoeren
Montagebanden
Nagels
Back
Ankernagels
Bagetnaalden
Bouwplaatnagels
Brads
Daknagels
Draadkrammen
Draadnagels
Klisjesnagels
Ribnagels
Ringnagels
Schroefnagels
Stalen nagels
T-nagels
Tochtstripnagels
Nieten
Pennen
Back
Borgveren
Pluggen
Back
Gasbetonpluggen
Hollewandankers
Hollewandpluggen
Isolatieplaatpluggen
Kozijnpluggen
Nagelpluggen
Pluggen
Radiatorbevestigingen
Ringen
Back
Afdichtringen
Asborgringen
Carrosserieringen
Sluitringen
Tandveerringen
Veerringen
Volgplaten
Schroeven
Back
Spaanplaatschroeven Torx
Spaanplaatschroeven RVS / AR- Coating
Afstandschroeven
Anti-inbraakschroeven
Betonschroeven
Glaslatschroeven
Houtbouwschroeven
Houtschroeven messing
Trespa-schroeven
Kozijnschroeven
Laagbolkopschroeven
Metaalschroeven
Plaatschroeven
Schroeven zelfborend
Snelbouwschroeven
Spaanplaatschroeven
Vlonderschroeven
Sluitingen
Back
D-Sluitingen
Eierkistsluitingen
Harpsluitingen
Karabijnhaken
Tapes
Back
Afdichtingstapes
Afplaktapes
Belijningstapes
Isolatietapes
Klitteband
Montagetapes
Reparatietapes
Tapes anti-slip
Verpakkingstapes
Touw
Handgereedschappen
Back
Stanleymessen
Aftekengereedschappen
Back
Kalklijnproducten
Kraspennen
Krijt
Markeren
Passers
Potloden
Schrijfhaken
Stiften
Verstekhaken
Zwaaihaken
Automotive gereedschappen
Back
Bandenreparatie
Bankschroeven
Beitels
Bits
Back
Bit, toebehoren
Bitsets
Blindklinktangen
Demagnetiseringsapparaten
Demontagegereedschappen
Back
Bout,- moerverwijderaars
Nageltrekkers
Tapeinduithalers
Trekkers
Deurklemmen
Dopsleutelgereedschappen
Back
Bougiesleutels
Dopsleutel, toebehoren
Dopsleutels
Dopsleutelsets
Ratels
Slagdopsleutels
Slagdopsleutels
Drijvers
Back
Pendrijvers
Gereedschapssets
Grijpgereedschappen
Back
Magneetzoekers
HACCP hygiënische reinigingsgereedschappen
Back
Schuurpads
Watertrekker
Werkborstels
Hamers
Back
Bankhamers
Combinatiehamers
Hamer terugslagvrij
Hamers, rubber
Klauwhamers
Lathamers
Mokers
Stratenmakershamers
Voorhamers
Holpijpen
Houtbewerking gereedschappen
Back
Gutsen
Houtbeitels
Schaven
Kitgereedschappen
Back
Kitpistolen
Kitstrijkers
Klemgereedschappen
Back
Lijmtangen
Lijmgereedschappen
Back
Lijmkammen
Lijmpistolen
Machinesleutels
Back
Kniesleutels
Kruissleutels
Moersleutels verstelbaar
Pijpsleutels
Ring- steeksleutels
Ring- steeksleutelsets
Ringsleutels
Ringsleutelsets
Schakelkastsleutels
Dopsleutelsets
Steeksleutels
Steeksleutelsets
Stiftsleutels
Stiftsleutelsets
Meetgereedschappen
Back
Afstandmeters
Detectors
Duimstokken
Gradenbogen
Hoekmaten
Kruishouten
Landmetermaten
Linialen
Meetlinten
Multimeters
Rolbandmaten
Schuifmaten
Tasters
Temperatuurmeters
Thermo/hygrometer
Vochtigheidsmeters
Voelermaten- banden
Waterpassen
Messen
Back
Werkmessen
Zakmessen
Metselgereedschappen
Back
Bekistingschrapers
Betonschrapers
Paleerijzers
Raapborden
Schragen
Spanen
Speciekuipen
Troffels
Voegspijkers
Momentgereedschappen
Back
Momentsleutels
Montagegereedschappen
Pijpenbuigers
Back
Buigveren
Ponsen
Reinigingsgereedschappen
Back
Bezems
Blikken
Borstels
Dakgootreinigers
Emmers
Glasreinigers
Leidingenreiniging
Luiwagens
Poetsdoeken
Raagbollen
Raamwissers
Schrapers
Sponsen
Steel, toebehoren
Vegers
Wasborstels
Werkdoeken
Machines
Back
Accu gereedschap
Back
Accu's
Boorbreekhamers
Boorhamers
Boorschroefmachines
Freesmachines
Heteluchtpistolen
Lampen
Lijmpistolen
Multi-machines
Oplaadapparaten
Pompen
Radio's
Schroefautomaten
Schuurmachines
Slagmoeraanzetters
Slagschroevendraaiers
Slijpmachines
Tuingereedschap
Waterpasinstrumenten
Zaagmachines
Elektrisch gereedschap
Back
Boorhamers
Compressoren
Diamant gereedschap
Freesmachines
Heaters
Heteluchtpistolen
Lasapparaten
Mengmachines
Multi-machines
Radio's
Reinigingsmachines
Schaafmachines
Schroefautomaten
Schuurmachines
Slijpmachines
Tackers
Tuingereedschap
Zaagmachines
Handbediende machines
Back
Handtackers
Tegelsnijmachines
Machine, toebehoren
Back
Boorhamer, toebehoren
Boorhouders
Boormachine, toebehoren
Boorschroefmachine, toebehoren
Compressor, toebehoren
Decoupeerzaagmachine, toebehoren
Drukspuit, toebehoren
Freesmachine, toebehoren
Graveermachine, toebehoren
Heggenschaar, toebehoren
Hogedrukreiniger, toebehoren
Mengmachine, toebehoren
Multi-machine, toebehoren
Pneumatiek, toebehoren
Pomp, toebehoren
Schaafmachine, toebehoren
Schuurmachine, toebehoren
Slijpmachine, toebehoren
Stofzuiger, toebehoren
Tuingereedschap, toebehoren
Zaagmachine, toebehoren
Machineonderdelen
Back
Compressoronderdelen
Hogedrukreinigeronderdelen
Motorisch gereedschap
Back
Zaagmachines
Pneumatisch gereedschap
Back
Bandenspanningsmeters
Blaaspistolen
Hogedrukspuiten
Luchtslanghaspels
Schuurmachines
Slagmoersleutels
Stofzuigers
Tackers
Verfspuiten
Verspanende gereedschappen
Back
Boorgereedschappen
Boren
Back
Trappenboor
Betonboren
Borensets
Diamantboren
Dozenboren
Glasboren
Houtboren
Metaalboren
Verzinkboren
Bovenfrezen hout
Back
Afrondfrezen
Bolprofielfrezen
Fasefrezen
Frees, toebehoren
Frezen met kogellager
Frezensets
Graveerfrezen
Groeffrezen
Groeffrezen met keermes
Holprofielfrezen
Kwartrondfrezen
Lijstfrezen
Profielfrezen
Schijffrezen
Sponningfrezen
Verlijmfrezen
V-groeffrezen
Zwaluwstaartfrezen
Draadsnijgereedschappen
Back
Draadsnijsets
Draadsnijtoebehoren
Handtappen
Machinetappen
Snijplaten
Freesgereedschappen
Back
Freessjablonen
Frezen metaal
Back
Stiftfrezen HSS
Gatzagen
Back
Gatzaag, toebehoren
Keermessen
Back
Keermessen, HM
Polijstmiddelen
Back
Poetsschijven
Polijstmaterialen
Staalwol
Schaafbeitels
Schuurmiddelen
Back
Schuurbanden
Schuurbladen klittenband
Schuurpads
Schuurpapier
Schuurschijven klittenband
Schuursets
Slijpschijven
Steunschijven
Zaagbladen
Back
Cirkelzaagbladen
Decoupeerzaagbladen
Diamant zaagbladen
Figuurzaagbladen
Multimachine zaagbladen
Reciprozaagbladen
Zaagblad, toebehoren
Bouwproducten
Back
Afdekmaterialen
Back
Afdeknet
Dekkleed
Afdichtingsbanden
Back
Compressiebanden
Schuimband
Afvalzakken
Folies
Back
Beschermfolies
Bouwfolies
Lood
Back
Lood, toebehoren
Plaatmateriaal
Back
Fineerband
Reparatiemiddelen
Back
Plamuur en vulmiddelen, toebehoren
Reparatiecompound
Roestbehandelingsmiddelen
Rookgasafvoermateriaal
Back
Boldraadroosters
Ventilatie
Back
Aansluitbussen
Afvoerslang, toebehoren
Bolroosters
Buitenroosters
Deurroosters
Gevelklep roosters
Lamellenroosters
Muurroosters
Plintroosters
Schoepenroosters
Schuifroosters
Ventielroosters
Ventilatiebuis
Ventilatieroosters
Ventilatierozetten
Ventilatoren
Chemie
Back
Chemische producten
Back
Afdichtmiddelen
Afstrijkmiddelen
Beschermingsmiddelen
Borgmiddelen
Brandstoffen
Onderzoeksmiddelen
Ontvetters
Reinigingsmiddelen
Verdunners
Voorbehandelingsmiddelen
Dakcoatings
Back
Dakreparatiemiddelen
Kitten
Back
Acrylaatkitten
Afdichtingskitten
Beglazingskitten
Bitumenkitten
Kit, toebehoren
Kitten brandvertragend
Lijmkitten
Siliconenkitten
Lijmen
Back
Constructielijmen
Contactlijmen
Hobbylijmen
Houtlijmen
Lijmen 2-componenten
Lijmen speciaal
Lijmpatronen
Montagekitten
Polystyreenlijm
PVC lijmen
Secondelijmen
Tegellijmen
Vloerbedekkingslijmen
Wandbekledingslijmen
Onderhoudsmiddelen
Back
Onderhoudspray
Schoen onderhoudsmiddelen
Vloeistoffen
Wax
PU-schuimen
Back
Reinigers
Smeermiddelen
Back
Oliën
Smeerpoeders
Smeerspray
Vetten
Verf
Back
Deklagen
Grondlagen
Grondverven
Grondverven aerosol
Lakverven
Lakverven aerosol
Verf hulpmiddelen
Vochtvreters
Back
Vochtvreters
Hang- en Sluitwerk
Back
Cilinders
Back
Automatencilinders
Cilinders elektronisch
Postkastcilinders
Veiligheidscilinders SKG*
Veiligheidscilinders SKG**
Veiligheidscilinders SKG***
Hangsloten
Back
Discussloten
Hangsloten cilinder
Hangsloten gelijksluitend
Hangsloten met cijfer
Hangsloten ongelijksluitend
Ketting- kabelsloten
Back
Kabelsloten
Kluizen
Back
Documentenkluizen
Geldkisten
Sleutelkasten/-kluizen
Scharnieren
Back
Deurdrangerscharnieren
Deurveerscharnieren
Deurveerscharnieronderdelen
Dievenklauwen
Hengen
Inboorpaumelles
Keukenkastscharnier
Kogellagerscharnieren
Kogellagerscharnieren SKG*
Kogelstiftpaumelles
Kogelstiftpaumelles SKG**
Meubelscharnieren
Nylon lagerscharnieren
Nylon lagerscharnieren SKG*
Paumelles
Pianoscharnieren
Scharnieren SKG*
Scharnieren smal
Scharnieronderdelen
Schijflagerscharnier SKG ***
Speunen
Venelite scharnieren
Sloten
Back
Bijzetsloten SKG*
Cilinder insteek smaldeursloten
Cilinder insteek smaldeursloten SKG*
Cilinder insteeksloten
Cilinder insteeksloten SKG*
Cilinder insteeksloten SKG**
Codesloten
Espagnoletsloten
Glasdeursloten
Insteekslot, toebehoren
Insteeksloten
Klavier insteeksloten
Klavier insteeksloten SKG*
Meerpuntsluitingen
Meerpuntsluitingen SKG*
Meerpuntsluitingen SKG**
Meubelsloten
Opleg bijzetsloten SKG*
Oplegsloten
Oplegsloten SKG*
Oplegsloten, toebehoren
Schuifdeursloten opleg
Sleutels
Sleuteltoebehoren
Sluitkommen
Sluitkommen SKG*
Sluitplaten
Smaldeursloten
Tonrolsloten
Sluitwerk
Back
Deurdranger armen
Deurdranger, toebehoren
Deurdrangers
Deurkettingen
Deursluiters
Deurvastzetter, toebehoren
Deurvastzetters
Espagnolet, toebehoren
Espagnoletten
Grendels
Heksluiters
Insteekgrendels
Kierstandhouders
Luiksluitingen
Overvallen
Paniekopener, toebehoren
Schuiven
Snapsluitingen
Bouwbeslag
Back
Deurbeslag
Back
Beldrukkers
Briefplaten
Brievenbusafdichtingen
Deurbellen
Deurbeslag, toebehoren
Deurgarnituren
Deurgarnituren gatdeel
Deurknoppen
Deurkrukken
Deuropvangbeugels
Deurspionnen
Deurstoppers
Huisnummers
Knopkrukken
Knopschilden
Kortschilden
Overslagen
Rozetten
Schuifdeurkommen
Stormkettingen
Deurnaalden
Back
Deurnaalden binnendeuren
Garderobesystemen
Back
Garderobebuis steunen
Garderobeprofielen
Hoed- en jashaken
Jashaken
Kastroede
Kastroedesteunen
Haken
Back
Handdoekhaken
Handdoekrekjes
Insectenwering
Back
Horren
Kistgrepen
Leuninghouders
Luikbeslag
Back
Luikringen
Postkasten
Raambeslag
Back
Bovenraambeslag
Raambeslag, toebehoren
Raamlichters
Raampennen
Raamscharen
Raamsloten opleg
Raamsloten opleg SKG*
Raamsloten opleg SKG**
Raamsluitingen
Raamsluitingen afsluitbaar
Raamuitzetters
Raamuitzetters SKG*
Schuifraambeslag
Valijzers
Schuifdeurbeslag
Back
Schuifdeurgarnituren
Schuifdeurgeleiders
Schuifdeurrail, toebehoren
Schuifdeurrails
Veiligheidsbeslag
Back
Veiligheids garnituren SKG**
Veiligheids garnituren SKG***
Veiligheids rozetten SKG***
Zorgbeslag
Back
Zorgproducten junior
PBM
Back
Ademhalingsbescherming
Back
Gelaatmasker filters
Halfgelaatsmaskers
Stofmaskers
Disposables
Back
Handbescherming wegwerp
Voetbescherming wegwerp
EHBO
Back
Oogspoelflessen
Verbandmiddelen
Verbandtrommels
Gehoorbescherming
Back
Oorkap, toebehoren
Oorkappen
Oorpluggen
Gelaatsbescherming
Handbescherming
Back
Handschoenen
Handschoenen chemisch bestendig
Handschoenen koudewerend
Handschoenen, mechanische bescherming
Werkhandschoenen
Hoofdbescherming
Back
Petten
Veiligheidshelmen
Lasbescherming
Back
Lashelmen
Lasschilden
Spatruiten
Lichaamsdelenbescherming
Back
Kniebeschermers
Oogbescherming
Back
Stofbrillen
Veiligheidsbrillen
Voetbescherming
Back
Klompen
Schoen, toebehoren
Sokken
Veiligheidslaarzen
Veiligheidsschoenen hoog
Veiligheidsschoenen laag
Werkschoenen
Werkkleding
Back
Amerikaanse overalls
Bodywarmers
Jassen
Kleding, toebehoren
Korte broeken
Laskleding
Regenkleding
Schorten
Sweaters
T-shirts
Vesten
Werkbroeken
Aandrijftechniek
Back
Afdichtingen
Back
O-ringen
Smering
Back
Ontluchtingsventielen
Ankerwerk
Back
Houtverbindingen
Back
Balkdragers korte lip
Balkdragers lange lip
Hoekankers
Hoeken
Koppelingen
Raveeldragers
Spouwankers
Tuinbeslag
Beveiliging
Back
Beveiliging elektronisch
Back
koolstofmonoxide melder
Rookmelders
Brandbeveiliging
Back
Brandblussers
Draadmaterialen
Back
Draad
Back
Binddraad, ijzerdraad
Draad op spoel
Lasdraad
Puntdraad
Draadspanners
Gaas
Back
Gaas geweven
Vliegengaas
Staaldraad
Back
Staaldraadkabel
Elektra
Back
Aardingsmaterialen
Back
Aarddraden
Aardklemmen
Aardrailen
Batterijen
Back
Batterijen oplaadbaar
Batterijladers
Bellen en Gongen
Back
Beldrukkers
Beschermslangen
Beveiligingen elektrische circuits
Back
Thermische beveiligingen
Connectoren
Back
RJ-connectoren
Contactmaterialen
Back
Contactmaterialen CEE-Norm
Inbouwdozen
Back
Buisinvoerstukken
Centraaldozen
Verhogingsringen
Installatiebuizen
Back
Hulpstukken
Installatiematerialen
Kabel
Back
Aansluitsnoeren
Installatiedraden
Installatiekabels
Kabelmoffen
Rubberkabels
Verlengkabels
Vinylsnoeren
Warmtekrimpkousen
Kabelbevestigingsmaterialen
Back
Kabelbeugels
Zadels
Kabelhaspels
Kabelmanagementsystemen
Back
Kabelgoten
Kabelschoenen
Back
Perskabelschoenen geïsoleerd
Kroonklemmen
Lasdoppen
Lasdozen
Back
Kabeldozen
Radio tv Audio
Back
Coax
Schakelmateriaal
Back
Bewegingsmelders
Contactdozen
Dimmers
Schakelaars
Schakelmateriaal inbouw
Schakelmateriaal opbouw
Schakelmateriaal, toebehoren
Stekkers
Tijdschakelaars
Snelstarters-acculaders
Stekkerdoos / verdeelblokken
Transformatoren
Trekveren
Verlichting
Back
Halogeenlampen
Hoofdlampen
LED lampen
Opbouw armaturen
Reflectorlampen
Spaarlampen
Starters
TL armaturen
TL LED lampen
Werklampen
Xenon lampen
Zaklampen
Zekeringen
Huishoudelijk
Back
Drogen
Back
Droog hulpmiddelen
Drooglijnen
Droogmolens
Elektronica
Kledinghangers
Ongedierte bestrijding
Back
Dierenvallen
Persoonlijke verzorging
Reiniging
Back
HG
Matten
Schoonmaakartikelen
Installatietechniek
Back
Hemelwaterafvoer
Back
Regenmeters
Slangen
Back
Waterslangen
Slangklemmen
Thermometers
Back
Thermometers
Weerstations
Kantoorartikelen
Back
Tijdsbepaling
Back
Klokken
Kantoorinrichting
Back
Meubilair
Back
Bureauonderdelen
Keuken artikelen
Back
Keukengereedschappen
Back
Barbecueaansteker
Gasaanstekers
Lastechniek
Back
Laspistolen
Back
Laspistoolonderdeel
Soldeer
Back
Hardsoldeer
Zachtsoldeer loodvrij
Logistiek
Back
Afbakeningsmiddelen
Bebording
Back
Deurborden
Verbodsborden
Bedrijfswageninrichting
Back
Bedrijfswagenafsluiting
Extern transport
Back
Kruiwagen, toebehoren
Kruiwagenonderdelen
Kruiwagens
Slede
Spanbanden / Ladingvastzetsystemen
Hijstechniek
Back
Kraanweegschalen
Lasthaak, toebehoren
Intern transport
Back
Steekwagens
Transportwagens
Klimmaterieel
Back
Ladders
Steigers
Trappen
Opbergmaterialen
Back
Assortimentsbakken
Assortimentsdozen
Gereedschapshouders
Gereedschapskisten
Gereedschapskoffers
Gereedschapskoppels
Koffers
Spijkerschorten
Tassen
Verpakkingsmaterialen
Vlaggen
Back
Vlaggenstokken
Vlaggenstokonderdelen
Werkplaatsinrichting
Back
Gereedschapswagens
Kast, toebehoren
Liften
Stelvoeten
Werkbanken
Wielen
Back
Apparaatwielen
Apparaatwielen met dubbele wielmontage
Dubbelrollen
Stoelwielen
Wiel, toebehoren
Wielen met rubber band
Wielen, los
Meubelbeslag
Back
Ladebeslag
Back
Ladegeleiders
Meubelbescherming
Meubelgrepen
Meubelknoppen
Meubelverbindingen
Profielen
Back
Afdichtingsprofielen
Bouwprofielen
Back
Hoekbeschermingsprofielen
Plankdragerprofielen
Profielen standaard
Trapprofielen
Platen
Back
Platen geperforeerd
Platen glad
Schopplaten
Preventieprofielen
Back
Deurprofielen anti-inbraak SKG* / SKG V
Tochtprofielen
Back
Dorpelprofielen
Dorpelstrips
Tuin
Back
Batsen
Back
Schepbatsen
Besproeiingstechniek
Back
Broesen
Micro-dripsysteem
Sprinklersystemen
Sproeiers
Watertimers
Waterverdelers
Bijlen
Back
Houthiepen
Keukenbijlen
Kloofbijlen
Bloemenschepjes
Boomhaken
Branders
Back
Onkruidbranders
Cultivators
Drukspuiten
Back
Drukspuiten
Plantenspuiten
Fruitplukkers
Gieters
Graskantstekers
Grondboren
Hakken
Back
Bietenhakken
Handmaaimachines
Harken
Back
Bladharken
Gazonharken
Hooiharken
Tuinharken
Verticuteerharken
Kniekussens
Krabbers
Onkruidbestrijding
Onkruidstekers
Back
Onkruidstekers
Opbergsystemen
Outdoor
Back
Vuurmakers
Schoffels
Schoppen
Back
Ballastschoppen
Betonschoppen
Schop, toebehoren
Zandschoppen
Schrepels
Schuivers
Back
Sneeuwschuivers
Sleggen
Spades
Stokhouders
Strooiwagens
Back
Strooiwagens
Tegelkrabbers
Back
Voegenkrabbers
Woondecoratie
Back
Gordijnophangsystemen
Back
Gordijnrail
Gordijnrail, toebehoren
Gordijnroede, toebehoren
Schilderijophangsystemen
Back
Schilderijrail, toebehoren
Menu
Over ons
Back
Services
Folders
Garantie
Klantenservice
Back
Verzending & levering
Bestellen & Betalen
Retour
Contact
Back
Stel een vraag
IJzerwaren
Back
Aanlegringen
Bledschroeven
Dragers
Haken
Back
Plakhaken
IJzerwaren
Kabels
Back
Kabelklemmen
Kabeltoebehoren
Spanschroeven
Katrollen
Kettingen
Back
Ketting, toebehoren
Kettingen op rol
Scheepskettingen
S-haken
Sierkettingen
Victorkettingen
Klapachten
Koordhouders
Krulhaken
Musketonhaken
Muurduimen
Ogen
Ophangogen
Plankenband
Schroefduimen
Schroefhaken
Schroefogen
Slotogen
Stokeinden
Wandrailsystemen
Back
Wandrails
Wandrailsysteem, toebehoren
Wervels
Windhaken
Bevestigingsmaterialen
Back
Afdekkappen
Assortiment schroeven
Back
Assortiment sets
Bedieningselementen
Back
Sterknoppen
Bouten
Back
Binnenzeskantbout
Houtdraadbouten
Oogbouten
Slotbouten
Zeskantbouten
Zeskanttapbouten
Bouwverankering
Back
Ankers
Kozijnankers
Montagegereedschap
Muurplaatankers
Spanhulzen
Uitvulplaten / Wiggen
Wandankers star
Bundelbanden
Chemische verankering
Back
Ankerstangen
Capsulesysteem
Chemische Anker
Draadeinden
Elastisch koord
Klinksystemen
Back
Blindklinkmoeren
Blindklinknagels
Klinknagels
Krammen
Magneten
Moeren
Back
Borgmoeren
Dopmoeren
Flensmoeren
Inschroefmoeren
Inslagmoeren
Oogmoer
Verbindingsmoeren
Vleugelmoeren
Zeskantmoeren
Montagebanden
Nagels
Back
Ankernagels
Bagetnaalden
Bouwplaatnagels
Brads
Daknagels
Draadkrammen
Draadnagels
Klisjesnagels
Ribnagels
Ringnagels
Schroefnagels
Stalen nagels
T-nagels
Tochtstripnagels
Nieten
Pennen
Back
Borgveren
Pluggen
Back
Gasbetonpluggen
Hollewandankers
Hollewandpluggen
Isolatieplaatpluggen
Kozijnpluggen
Nagelpluggen
Pluggen
Radiatorbevestigingen
Ringen
Back
Afdichtringen
Asborgringen
Carrosserieringen
Sluitringen
Tandveerringen
Veerringen
Volgplaten
Schroeven
Back
Spaanplaatschroeven Torx
Spaanplaatschroeven RVS / AR- Coating
Afstandschroeven
Anti-inbraakschroeven
Betonschroeven
Glaslatschroeven
Houtbouwschroeven
Houtschroeven messing
Trespa-schroeven
Kozijnschroeven
Laagbolkopschroeven
Metaalschroeven
Plaatschroeven
Schroeven zelfborend
Snelbouwschroeven
Spaanplaatschroeven
Vlonderschroeven
Sluitingen
Back
D-Sluitingen
Eierkistsluitingen
Harpsluitingen
Karabijnhaken
Tapes
Back
Afdichtingstapes
Afplaktapes
Belijningstapes
Isolatietapes
Klitteband
Montagetapes
Reparatietapes
Tapes anti-slip
Verpakkingstapes
Touw
Handgereedschappen
Back
Stanleymessen
Aftekengereedschappen
Back
Kalklijnproducten
Kraspennen
Krijt
Markeren
Passers
Potloden
Schrijfhaken
Stiften
Verstekhaken
Zwaaihaken
Automotive gereedschappen
Back
Bandenreparatie
Bankschroeven
Beitels
Bits
Back
Bit, toebehoren
Bitsets
Blindklinktangen
Demagnetiseringsapparaten
Demontagegereedschappen
Back
Bout,- moerverwijderaars
Nageltrekkers
Tapeinduithalers
Trekkers
Deurklemmen
Dopsleutelgereedschappen
Back
Bougiesleutels
Dopsleutel, toebehoren
Dopsleutels
Dopsleutelsets
Ratels
Slagdopsleutels
Slagdopsleutels
Drijvers
Back
Pendrijvers
Gereedschapssets
Grijpgereedschappen
Back
Magneetzoekers
HACCP hygiënische reinigingsgereedschappen
Back
Schuurpads
Watertrekker
Werkborstels
Hamers
Back
Bankhamers
Combinatiehamers
Hamer terugslagvrij
Hamers, rubber
Klauwhamers
Lathamers
Mokers
Stratenmakershamers
Voorhamers
Holpijpen
Houtbewerking gereedschappen
Back
Gutsen
Houtbeitels
Schaven
Kitgereedschappen
Back
Kitpistolen
Kitstrijkers
Klemgereedschappen
Back
Lijmtangen
Lijmgereedschappen
Back
Lijmkammen
Lijmpistolen
Machinesleutels
Back
Kniesleutels
Kruissleutels
Moersleutels verstelbaar
Pijpsleutels
Ring- steeksleutels
Ring- steeksleutelsets
Ringsleutels
Ringsleutelsets
Schakelkastsleutels
Dopsleutelsets
Steeksleutels
Steeksleutelsets
Stiftsleutels
Stiftsleutelsets
Meetgereedschappen
Back
Afstandmeters
Detectors
Duimstokken
Gradenbogen
Hoekmaten
Kruishouten
Landmetermaten
Linialen
Meetlinten
Multimeters
Rolbandmaten
Schuifmaten
Tasters
Temperatuurmeters
Thermo/hygrometer
Vochtigheidsmeters
Voelermaten- banden
Waterpassen
Messen
Back
Werkmessen
Zakmessen
Metselgereedschappen
Back
Bekistingschrapers
Betonschrapers
Paleerijzers
Raapborden
Schragen
Spanen
Speciekuipen
Troffels
Voegspijkers
Momentgereedschappen
Back
Momentsleutels
Montagegereedschappen
Pijpenbuigers
Back
Buigveren
Ponsen
Reinigingsgereedschappen
Back
Bezems
Blikken
Borstels
Dakgootreinigers
Emmers
Glasreinigers
Leidingenreiniging
Luiwagens
Poetsdoeken
Raagbollen
Raamwissers
Schrapers
Sponsen
Steel, toebehoren
Vegers
Wasborstels
Werkdoeken
Machines
Back
Accu gereedschap
Back
Accu's
Boorbreekhamers
Boorhamers
Boorschroefmachines
Freesmachines
Heteluchtpistolen
Lampen
Lijmpistolen
Multi-machines
Oplaadapparaten
Pompen
Radio's
Schroefautomaten
Schuurmachines
Slagmoeraanzetters
Slagschroevendraaiers
Slijpmachines
Tuingereedschap
Waterpasinstrumenten
Zaagmachines
Elektrisch gereedschap
Back
Boorhamers
Compressoren
Diamant gereedschap
Freesmachines
Heaters
Heteluchtpistolen
Lasapparaten
Mengmachines
Multi-machines
Radio's
Reinigingsmachines
Schaafmachines
Schroefautomaten
Schuurmachines
Slijpmachines
Tackers
Tuingereedschap
Zaagmachines
Handbediende machines
Back
Handtackers
Tegelsnijmachines
Machine, toebehoren
Back
Boorhamer, toebehoren
Boorhouders
Boormachine, toebehoren
Boorschroefmachine, toebehoren
Compressor, toebehoren
Decoupeerzaagmachine, toebehoren
Drukspuit, toebehoren
Freesmachine, toebehoren
Graveermachine, toebehoren
Heggenschaar, toebehoren
Hogedrukreiniger, toebehoren
Mengmachine, toebehoren
Multi-machine, toebehoren
Pneumatiek, toebehoren
Pomp, toebehoren
Schaafmachine, toebehoren
Schuurmachine, toebehoren
Slijpmachine, toebehoren
Stofzuiger, toebehoren
Tuingereedschap, toebehoren
Zaagmachine, toebehoren
Machineonderdelen
Back
Compressoronderdelen
Hogedrukreinigeronderdelen
Motorisch gereedschap
Back
Zaagmachines
Pneumatisch gereedschap
Back
Bandenspanningsmeters
Blaaspistolen
Hogedrukspuiten
Luchtslanghaspels
Schuurmachines
Slagmoersleutels
Stofzuigers
Tackers
Verfspuiten
Verspanende gereedschappen
Back
Boorgereedschappen
Boren
Back
Trappenboor
Betonboren
Borensets
Diamantboren
Dozenboren
Glasboren
Houtboren
Metaalboren
Verzinkboren
Bovenfrezen hout
Back
Afrondfrezen
Bolprofielfrezen
Fasefrezen
Frees, toebehoren
Frezen met kogellager
Frezensets
Graveerfrezen
Groeffrezen
Groeffrezen met keermes
Holprofielfrezen
Kwartrondfrezen
Lijstfrezen
Profielfrezen
Schijffrezen
Sponningfrezen
Verlijmfrezen
V-groeffrezen
Zwaluwstaartfrezen
Draadsnijgereedschappen
Back
Draadsnijsets
Draadsnijtoebehoren
Handtappen
Machinetappen
Snijplaten
Freesgereedschappen
Back
Freessjablonen
Frezen metaal
Back
Stiftfrezen HSS
Gatzagen
Back
Gatzaag, toebehoren
Keermessen
Back
Keermessen, HM
Polijstmiddelen
Back
Poetsschijven
Polijstmaterialen
Staalwol
Schaafbeitels
Schuurmiddelen
Back
Schuurbanden
Schuurbladen klittenband
Schuurpads
Schuurpapier
Schuurschijven klittenband
Schuursets
Slijpschijven
Steunschijven
Zaagbladen
Back
Cirkelzaagbladen
Decoupeerzaagbladen
Diamant zaagbladen
Figuurzaagbladen
Multimachine zaagbladen
Reciprozaagbladen
Zaagblad, toebehoren
Bouwproducten
Back
Afdekmaterialen
Back
Afdeknet
Dekkleed
Afdichtingsbanden
Back
Compressiebanden
Schuimband
Afvalzakken
Folies
Back
Beschermfolies
Bouwfolies
Lood
Back
Lood, toebehoren
Plaatmateriaal
Back
Fineerband
Reparatiemiddelen
Back
Plamuur en vulmiddelen, toebehoren
Reparatiecompound
Roestbehandelingsmiddelen
Rookgasafvoermateriaal
Back
Boldraadroosters
Ventilatie
Back
Aansluitbussen
Afvoerslang, toebehoren
Bolroosters
Buitenroosters
Deurroosters
Gevelklep roosters
Lamellenroosters
Muurroosters
Plintroosters
Schoepenroosters
Schuifroosters
Ventielroosters
Ventilatiebuis
Ventilatieroosters
Ventilatierozetten
Ventilatoren
Chemie
Back
Chemische producten
Back
Afdichtmiddelen
Afstrijkmiddelen
Beschermingsmiddelen
Borgmiddelen
Brandstoffen
Onderzoeksmiddelen
Ontvetters
Reinigingsmiddelen
Verdunners
Voorbehandelingsmiddelen
Dakcoatings
Back
Dakreparatiemiddelen
Kitten
Back
Acrylaatkitten
Afdichtingskitten
Beglazingskitten
Bitumenkitten
Kit, toebehoren
Kitten brandvertragend
Lijmkitten
Siliconenkitten
Lijmen
Back
Constructielijmen
Contactlijmen
Hobbylijmen
Houtlijmen
Lijmen 2-componenten
Lijmen speciaal
Lijmpatronen
Montagekitten
Polystyreenlijm
PVC lijmen
Secondelijmen
Tegellijmen
Vloerbedekkingslijmen
Wandbekledingslijmen
Onderhoudsmiddelen
Back
Onderhoudspray
Schoen onderhoudsmiddelen
Vloeistoffen
Wax
PU-schuimen
Back
Reinigers
Smeermiddelen
Back
Oliën
Smeerpoeders
Smeerspray
Vetten
Verf
Back
Deklagen
Grondlagen
Grondverven
Grondverven aerosol
Lakverven
Lakverven aerosol
Verf hulpmiddelen
Vochtvreters
Back
Vochtvreters
Hang- en Sluitwerk
Back
Cilinders
Back
Automatencilinders
Cilinders elektronisch
Postkastcilinders
Veiligheidscilinders SKG*
Veiligheidscilinders SKG**
Veiligheidscilinders SKG***
Hangsloten
Back
Discussloten
Hangsloten cilinder
Hangsloten gelijksluitend
Hangsloten met cijfer
Hangsloten ongelijksluitend
Ketting- kabelsloten
Back
Kabelsloten
Kluizen
Back
Documentenkluizen
Geldkisten
Sleutelkasten/-kluizen
Scharnieren
Back
Deurdrangerscharnieren
Deurveerscharnieren
Deurveerscharnieronderdelen
Dievenklauwen
Hengen
Inboorpaumelles
Keukenkastscharnier
Kogellagerscharnieren
Kogellagerscharnieren SKG*
Kogelstiftpaumelles
Kogelstiftpaumelles SKG**
Meubelscharnieren
Nylon lagerscharnieren
Nylon lagerscharnieren SKG*
Paumelles
Pianoscharnieren
Scharnieren SKG*
Scharnieren smal
Scharnieronderdelen
Schijflagerscharnier SKG ***
Speunen
Venelite scharnieren
Sloten
Back
Bijzetsloten SKG*
Cilinder insteek smaldeursloten
Cilinder insteek smaldeursloten SKG*
Cilinder insteeksloten
Cilinder insteeksloten SKG*
Cilinder insteeksloten SKG**
Codesloten
Espagnoletsloten
Glasdeursloten
Insteekslot, toebehoren
Insteeksloten
Klavier insteeksloten
Klavier insteeksloten SKG*
Meerpuntsluitingen
Meerpuntsluitingen SKG*
Meerpuntsluitingen SKG**
Meubelsloten
Opleg bijzetsloten SKG*
Oplegsloten
Oplegsloten SKG*
Oplegsloten, toebehoren
Schuifdeursloten opleg
Sleutels
Sleuteltoebehoren
Sluitkommen
Sluitkommen SKG*
Sluitplaten
Smaldeursloten
Tonrolsloten
Sluitwerk
Back
Deurdranger armen
Deurdranger, toebehoren
Deurdrangers
Deurkettingen
Deursluiters
Deurvastzetter, toebehoren
Deurvastzetters
Espagnolet, toebehoren
Espagnoletten
Grendels
Heksluiters
Insteekgrendels
Kierstandhouders
Luiksluitingen
Overvallen
Paniekopener, toebehoren
Schuiven
Snapsluitingen
Bouwbeslag
Back
Deurbeslag
Back
Beldrukkers
Briefplaten
Brievenbusafdichtingen
Deurbellen
Deurbeslag, toebehoren
Deurgarnituren
Deurgarnituren gatdeel
Deurknoppen
Deurkrukken
Deuropvangbeugels
Deurspionnen
Deurstoppers
Huisnummers
Knopkrukken
Knopschilden
Kortschilden
Overslagen
Rozetten
Schuifdeurkommen
Stormkettingen
Deurnaalden
Back
Deurnaalden binnendeuren
Garderobesystemen
Back
Garderobebuis steunen
Garderobeprofielen
Hoed- en jashaken
Jashaken
Kastroede
Kastroedesteunen
Haken
Back
Handdoekhaken
Handdoekrekjes
Insectenwering
Back
Horren
Kistgrepen
Leuninghouders
Luikbeslag
Back
Luikringen
Postkasten
Raambeslag
Back
Bovenraambeslag
Raambeslag, toebehoren
Raamlichters
Raampennen
Raamscharen
Raamsloten opleg
Raamsloten opleg SKG*
Raamsloten opleg SKG**
Raamsluitingen
Raamsluitingen afsluitbaar
Raamuitzetters
Raamuitzetters SKG*
Schuifraambeslag
Valijzers
Schuifdeurbeslag
Back
Schuifdeurgarnituren
Schuifdeurgeleiders
Schuifdeurrail, toebehoren
Schuifdeurrails
Veiligheidsbeslag
Back
Veiligheids garnituren SKG**
Veiligheids garnituren SKG***
Veiligheids rozetten SKG***
Zorgbeslag
Back
Zorgproducten junior
PBM
Back
Ademhalingsbescherming
Back
Gelaatmasker filters
Halfgelaatsmaskers
Stofmaskers
Disposables
Back
Handbescherming wegwerp
Voetbescherming wegwerp
EHBO
Back
Oogspoelflessen
Verbandmiddelen
Verbandtrommels
Gehoorbescherming
Back
Oorkap, toebehoren
Oorkappen
Oorpluggen
Gelaatsbescherming
Handbescherming
Back
Handschoenen
Handschoenen chemisch bestendig
Handschoenen koudewerend
Handschoenen, mechanische bescherming
Werkhandschoenen
Hoofdbescherming
Back
Petten
Veiligheidshelmen
Lasbescherming
Back
Lashelmen
Lasschilden
Spatruiten
Lichaamsdelenbescherming
Back
Kniebeschermers
Oogbescherming
Back
Stofbrillen
Veiligheidsbrillen
Voetbescherming
Back
Klompen
Schoen, toebehoren
Sokken
Veiligheidslaarzen
Veiligheidsschoenen hoog
Veiligheidsschoenen laag
Werkschoenen
Werkkleding
Back
Amerikaanse overalls
Bodywarmers
Jassen
Kleding, toebehoren
Korte broeken
Laskleding
Regenkleding
Schorten
Sweaters
T-shirts
Vesten
Werkbroeken
Aandrijftechniek
Back
Afdichtingen
Back
O-ringen
Smering
Back
Ontluchtingsventielen
Ankerwerk
Back
Houtverbindingen
Back
Balkdragers korte lip
Balkdragers lange lip
Hoekankers
Hoeken
Koppelingen
Raveeldragers
Spouwankers
Tuinbeslag
Beveiliging
Back
Beveiliging elektronisch
Back
koolstofmonoxide melder
Rookmelders
Brandbeveiliging
Back
Brandblussers
Draadmaterialen
Back
Draad
Back
Binddraad, ijzerdraad
Draad op spoel
Lasdraad
Puntdraad
Draadspanners
Gaas
Back
Gaas geweven
Vliegengaas
Staaldraad
Back
Staaldraadkabel
Elektra
Back
Aardingsmaterialen
Back
Aarddraden
Aardklemmen
Aardrailen
Batterijen
Back
Batterijen oplaadbaar
Batterijladers
Bellen en Gongen
Back
Beldrukkers
Beschermslangen
Beveiligingen elektrische circuits
Back
Thermische beveiligingen
Connectoren
Back
RJ-connectoren
Contactmaterialen
Back
Contactmaterialen CEE-Norm
Inbouwdozen
Back
Buisinvoerstukken
Centraaldozen
Verhogingsringen
Installatiebuizen
Back
Hulpstukken
Installatiematerialen
Kabel
Back
Aansluitsnoeren
Installatiedraden
Installatiekabels
Kabelmoffen
Rubberkabels
Verlengkabels
Vinylsnoeren
Warmtekrimpkousen
Kabelbevestigingsmaterialen
Back
Kabelbeugels
Zadels
Kabelhaspels
Kabelmanagementsystemen
Back
Kabelgoten
Kabelschoenen
Back
Perskabelschoenen geïsoleerd
Kroonklemmen
Lasdoppen
Lasdozen
Back
Kabeldozen
Radio tv Audio
Back
Coax
Schakelmateriaal
Back
Bewegingsmelders
Contactdozen
Dimmers
Schakelaars
Schakelmateriaal inbouw
Schakelmateriaal opbouw
Schakelmateriaal, toebehoren
Stekkers
Tijdschakelaars
Snelstarters-acculaders
Stekkerdoos / verdeelblokken
Transformatoren
Trekveren
Verlichting
Back
Halogeenlampen
Hoofdlampen
LED lampen
Opbouw armaturen
Reflectorlampen
Spaarlampen
Starters
TL armaturen
TL LED lampen
Werklampen
Xenon lampen
Zaklampen
Zekeringen
Huishoudelijk
Back
Drogen
Back
Droog hulpmiddelen
Drooglijnen
Droogmolens
Elektronica
Kledinghangers
Ongedierte bestrijding
Back
Dierenvallen
Persoonlijke verzorging
Reiniging
Back
HG
Matten
Schoonmaakartikelen
Installatietechniek
Back
Hemelwaterafvoer
Back
Regenmeters
Slangen
Back
Waterslangen
Slangklemmen
Thermometers
Back
Thermometers
Weerstations
Kantoorartikelen
Back
Tijdsbepaling
Back
Klokken
Kantoorinrichting
Back
Meubilair
Back
Bureauonderdelen
Keuken artikelen
Back
Keukengereedschappen
Back
Barbecueaansteker
Gasaanstekers
Lastechniek
Back
Laspistolen
Back
Laspistoolonderdeel
Soldeer
Back
Hardsoldeer
Zachtsoldeer loodvrij
Logistiek
Back
Afbakeningsmiddelen
Bebording
Back
Deurborden
Verbodsborden
Bedrijfswageninrichting
Back
Bedrijfswagenafsluiting
Extern transport
Back
Kruiwagen, toebehoren
Kruiwagenonderdelen
Kruiwagens
Slede
Spanbanden / Ladingvastzetsystemen
Hijstechniek
Back
Kraanweegschalen
Lasthaak, toebehoren
Intern transport
Back
Steekwagens
Transportwagens
Klimmaterieel
Back
Ladders
Steigers
Trappen
Opbergmaterialen
Back
Assortimentsbakken
Assortimentsdozen
Gereedschapshouders
Gereedschapskisten
Gereedschapskoffers
Gereedschapskoppels
Koffers
Spijkerschorten
Tassen
Verpakkingsmaterialen
Vlaggen
Back
Vlaggenstokken
Vlaggenstokonderdelen
Werkplaatsinrichting
Back
Gereedschapswagens
Kast, toebehoren
Liften
Stelvoeten
Werkbanken
Wielen
Back
Apparaatwielen
Apparaatwielen met dubbele wielmontage
Dubbelrollen
Stoelwielen
Wiel, toebehoren
Wielen met rubber band
Wielen, los
Meubelbeslag
Back
Ladebeslag
Back
Ladegeleiders
Meubelbescherming
Meubelgrepen
Meubelknoppen
Meubelverbindingen
Profielen
Back
Afdichtingsprofielen
Bouwprofielen
Back
Hoekbeschermingsprofielen
Plankdragerprofielen
Profielen standaard
Trapprofielen
Platen
Back
Platen geperforeerd
Platen glad
Schopplaten
Preventieprofielen
Back
Deurprofielen anti-inbraak SKG* / SKG V
Tochtprofielen
Back
Dorpelprofielen
Dorpelstrips
Tuin
Back
Batsen
Back
Schepbatsen
Besproeiingstechniek
Back
Broesen
Micro-dripsysteem
Sprinklersystemen
Sproeiers
Watertimers
Waterverdelers
Bijlen
Back
Houthiepen
Keukenbijlen
Kloofbijlen
Bloemenschepjes
Boomhaken
Branders
Back
Onkruidbranders
Cultivators
Drukspuiten
Back
Drukspuiten
Plantenspuiten
Fruitplukkers
Gieters
Graskantstekers
Grondboren
Hakken
Back
Bietenhakken
Handmaaimachines
Harken
Back
Bladharken
Gazonharken
Hooiharken
Tuinharken
Verticuteerharken
Kniekussens
Krabbers
Onkruidbestrijding
Onkruidstekers
Back
Onkruidstekers
Opbergsystemen
Outdoor
Back
Vuurmakers
Schoffels
Schoppen
Back
Ballastschoppen
Betonschoppen
Schop, toebehoren
Zandschoppen
Schrepels
Schuivers
Back
Sneeuwschuivers
Sleggen
Spades
Stokhouders
Strooiwagens
Back
Strooiwagens
Tegelkrabbers
Back
Voegenkrabbers
Woondecoratie
Back
Gordijnophangsystemen
Back
Gordijnrail
Gordijnrail, toebehoren
Gordijnroede, toebehoren
Schilderijophangsystemen
Back
Schilderijrail, toebehoren
(0)
Producten
U heeft geen artikelen in uw winkelwagen.
CATEGORIEËN
Menu
Winkelwagen
Filters
Personal menu
Voorkeuren
Zoek
Startpagina
/
Hang- en Sluitwerk
/
Sloten
/
Cilinder insteek smaldeursloten SKG*
/
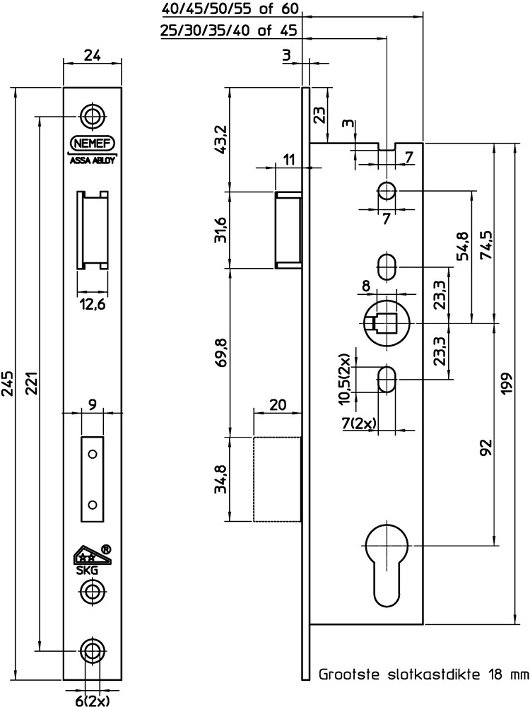
4169/18-40 DR.1+3 VEILIGHEIDSDEURSLOT, SKG**, DM40MM, PC92MM, KRUKGAT 8MM, VOORPLAAT RVS 24X245MM RECHTHOEKIG, ZAMAC GLANS VERNIKKELDE DAG- EN NACHTSCHOOT, DR 1+3/2+4.
Previous product
4128/18-30 VEILIGHEIDSBIJZE...
Next product
VEILIGHEIDSSLOT 4169/18-25 ...
4169/18-40 DR.1+3 VEILIGHEIDSDEURSLOT, SKG**, DM40MM, PC92MM, KRUKGAT 8MM, VOORPLAAT RVS 24X245MM RECHTHOEKIG, ZAMAC GLANS VERNIKKELDE DAG- EN NACHTSCHOOT, DR 1+3/2+4.
€ 127,80 incl. BTW
Prijs per 1 stuks
Artikelnummer:
597926
Beschikbaarheid:
2 op voorraad
Aantal:
stuks
Share:
Overzicht
Specificaties
Contact
Toepassing
Geschikt voor toepassing in stalen en aluminium buitendeuren in utiliteitsbouw.
Specificaties
Voldoet aan SKG** en is toepasbaar binnen het Politiekeurmerk Veilig Wonen
Voor links- en rechtsdraaiende deuren door eenvoudig omlegbare dagschoot
Zamac glans vernikkelde dagschoot
Zamac vernikkelde nachtschoot (1-toers) met zaagbelemmering voor een hogere veiligheid
Rvs rechthoekige voorplaat
Gelakte slotkast
Toepassing
Geschikt voor toepassing in stalen en aluminium buitendeuren in utiliteitsbouw.
Specificaties
Voldoet aan SKG** en is toepasbaar binnen het Politiekeurmerk Veilig Wonen
Voor links- en rechtsdraaiende deuren door eenvoudig omlegbare dagschoot
Zamac glans vernikkelde dagschoot
Zamac vernikkelde nachtschoot (1-toers) met zaagbelemmering voor een hogere veiligheid
Rvs rechthoekige voorplaat
Gelakte slotkast
Product specificaties
Model voorplaat
rechthoekig
Afmetingen voorplaat
25 x 245 mm
Materiaal voorplaat
rvs
Doornmaat
40 mm
Draairichting
1/3
Krukgat
8 mm
Dagschootuitslag
11 mm
Materiaal dagschoot
zamac glans vernikkeld
Finish slotkast
gelakt
Materiaal nachtschoot
zamac vernikkeld met beveiligingspennen
Afstand
92 mm
Cilinderuitsparing
17 mm
Mat. slotkast
staal
Nachtschootuitslag
20 mm
Aantal toeren
1
Omschrijving
dagschoot omlegbaar
Extra te bestellen
Sluitplaat P 9600/17
SKG classificatie
SKG**
Produktserie
4000